地址:江蘇省準安市淮陰工業園區錢江東路19號
聯系人:田先生
手機:13905236011
電子郵件:nora@sjhydraulic.com用途與特征
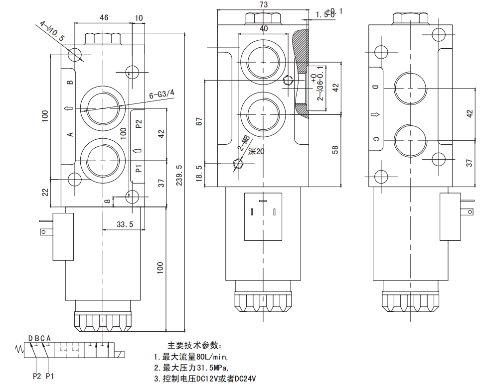
1.SVV09是分片式6通電磁切換閥閥,也可以做成8通和10通的油路。
2.SVV09油口可以安裝帶法蘭式疊加塊,可安裝防震動閥。
3.有多種不同電壓的電磁閥可供選擇
4.SVV09電磁切換閥是基礎的多路閥和2個液壓執行元件之間的鏈接點。
5.切換閥是用于液壓系統中需要在原有多路閥的基礎上按順序增加一個執行元件時,可以通過增加切換閥來實現同一個多路閥,可按順序控制2個不同的執行元件。
6.疊加式切換閥原理可以允許單連閥通過串聯的方式,連接5個切換閥,從而控制6個執行元件。
7.L口必須一直接回油箱。
型號說明
技術參數
外形安裝連接尺寸

