地址:江蘇省準安市淮陰工業園區錢江東路19號
聯系人:田先生
手機:13905236011
電子郵件:nora@sjhydraulic.com
基本設計
外嚙合齒輪泵是現代液壓系統中最常用的泵。
它們的特點是多功能性、強度和使用壽命長。
結構簡單,確保有限的采購成本和維修。由于那里的基本概念,以及不斷改進的產品設計和功能,基于多年經驗的研究,材料選擇的正確性,生產過程的詳細說明以及對批量生產零件的測試,我們的齒輪泵已達到高質量標準。
因此,我們的產品可以在繁重的操作條件下工作并傳輸高液壓動力。此外,SJ-TECHNOLOGY齒輪泵具有良好的液壓,機械和容積效率,低噪音杠桿以及緊湊的尺寸。
SJ科技齒輪泵進一步開發了自己的產品系列,推出了名為GPM的新系列泵,其中1P,1A,GPM0.0,GPM1.0,GPM2.0,GPM2.6,GPM3.0適用于工業,移動,海洋和航空航天行業中最不同的應用。
通常,這些齒輪泵通常由兩個鋁襯套支撐的齒輪副,一個主體,一個固定法蘭和一個蓋子組成。突出在法蘭之外的驅動齒輪軸安裝了一個雙唇密封環(內唇是密封件,外唇是防塵密封)。彈性固定環將環固定到位。泵體由通過擠壓工藝獲得的特殊耐高溫鋁合金制成,而法蘭和蓋子由球墨鑄鐵制成,以確保即使在高壓下,無論是連續還是間歇或峰值壓力,變形也最小。
齒輪由特殊鋼制成。他們的制造過程經過研磨和精加工,因此具有高度的表面,確保泵運行期間的低脈動桿和低噪音桿。
軸套由特殊的低摩擦和高抗性鋁合金制成,由壓鑄制成。此外,它們還配備了減摩DU軸承。
襯套上的特殊補償區由帶有防擠壓環的特殊預成型密封件絕緣,允許全部自由的軸向和徑向運動到襯套,這與泵的工作壓力成正比。通過這種方式,內部滴漏大大減少,從而確保非常好的泵性能(無論是在體積方面還是在一般方面)和泵運動部件的適當潤滑。
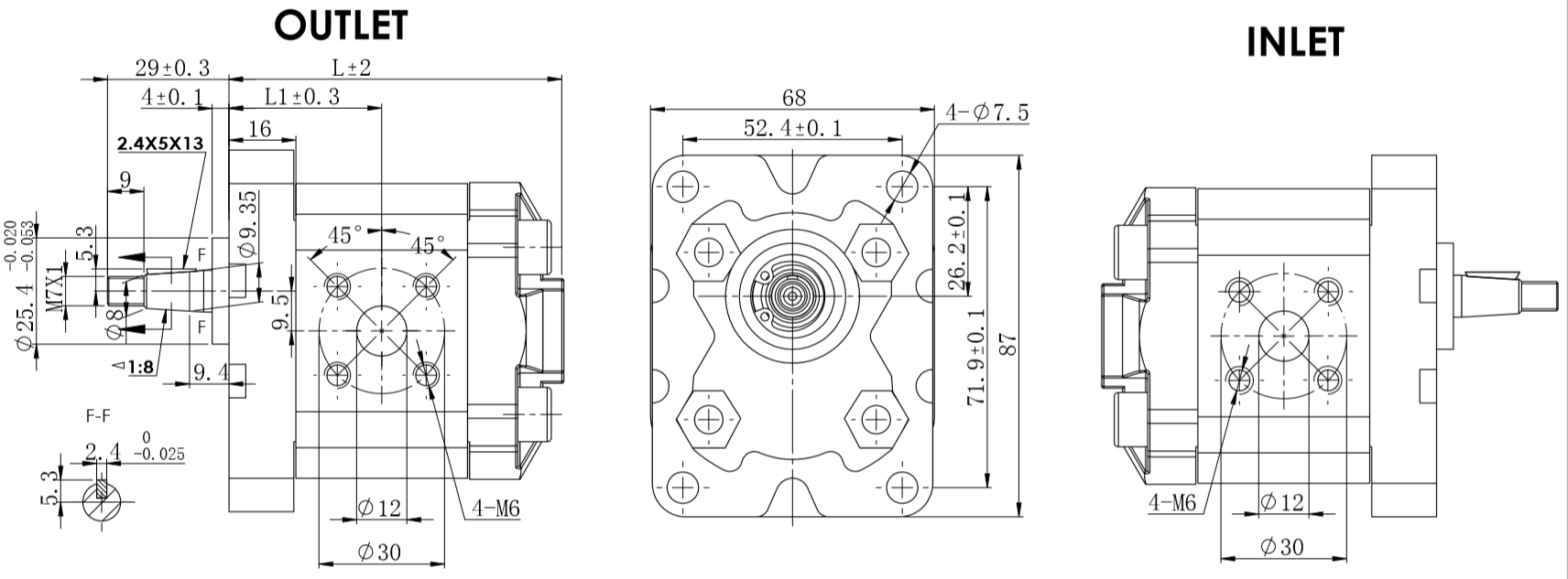
標準端口:M6 螺紋深度 12 mm。
選件“氣體”:G3/8 螺紋深度 12 mm。 螺紋在主體兩側加工。
要安裝泵,n.4 M8螺釘,扭矩扳手設置固定在27±3Nm。
軸 M7 螺母,扭矩扳手設置固定在 8Nm。
|
型 型號 |
位移 |
1500rpm時的流量 |
壓力 壓力(bar) |
速度 轉速 (轉/分鐘) |
尺寸尺寸(毫米) |
||||
|
排量 (立方厘米/轉) |
額定 額定 |
峰高 |
額定 額定 |
麥克斯 高 |
最小值
|
L1 |
L |
||
|
1PFC0.75FTHD |
0.75 |
1.0 |
230 |
270 |
3000 |
6000 |
1000 |
34 |
75 |
|
1PFC1.1FTHD |
1.2 |
1.6 |
230 |
270 |
3000 |
6000 |
1000 |
35 |
77 |
|
1PFC1.3FTHD |
1.6 |
1.9 |
230 |
270 |
3000 |
6000 |
1000 |
36 |
79 |
|
1PFC1.6FTHD |
2.1 |
2.3 |
230 |
270 |
3000 |
6000 |
1000 |
37 |
81 |
|
1PFC2.1FTHD |
2.6 |
3.0 |
230 |
270 |
3000 |
6000 |
1000 |
38 |
83 |
|
1PFC2.7FTHD |
2.8 |
3.9 |
230 |
270 |
3000 |
6000 |
1000 |
39 |
85 |
|
1PFC3.2FTHD |
3.2 |
4.6 |
210 |
250 |
2500 |
5000 |
800 |
40 |
87 |
|
1PFC3.7FTHD |
3.7 |
5.3 |
210 |
250 |
2500 |
4500 |
800 |
41 |
89 |
|
1PFC4.2FTHD |
4.2 |
5.8 |
210 |
250 |
2500 |
4000 |
800 |
42 |
91 |
|
1PFC5.0FTHD |
5.0 |
7.1 |
190 |
230 |
2500 |
3500 |
800 |
44 |
95 |
|
1PFC6.0FTHD |
6.0 |
8.3 |
190 |
230 |
2000 |
3000 |
600 |
46 |
99 |
|
1PFC7.0FTHD |
7.0 |
10.0 |
160 |
200 |
2000 |
2500 |
600 |
49 |
105 |
|
1PFC8.0FTHD |
8.0 |
11.0 |
160 |
200 |
2000 |
2100 |
600 |
51.5 |
110 |
|
1PFC9.8FTHD |
9.8 |
14.0 |
160 |
200 |
1500 |
2000 |
600 |
56 |
119 |
